ZADZWOŃ DO NAS
797-283-570Dział handlowy
ZADZWOŃ DO NAS
797-283-570Dział handlowy










Pierwotna cena wynosiła: 416.20zł.395.39złAktualna cena wynosi: 395.39zł. 321.46zł netto
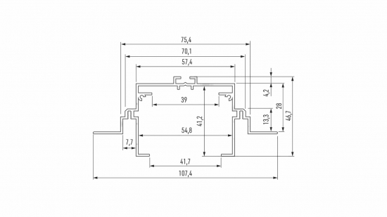
Profil montażowy TALIA M4 czarny lakierowany o długości 3 metrów. Profil przeznaczony do montażu profilu TALIA pomiędzy płytami w suficie.
Na stanie
Profil montażowy LUMINES TALIA M4 to jeden z czterech profili montażowych przeznaczonych do montażu profilu nawierzchniowego TALIA. Profil został zaprojektowany z myślą o montażu oświetlenia LED pomiędzy płytami w suficie za pomocą wkrętów montażowych i profilu pomocniczego ROSET, który integruje cały system oświetleniowy.
Wersje kolorystyczne:
– profil srebrny anodowany,
– profil biały lakierowany (RAL9016)
– profil czarny lakierowany (RAL9005 mat.)
Sposób montażu:
– za pomocą wkrętów montażowych oraz profilu pomocniczego ROSET
Profil sprzedawany jest w standardowych odcinkach: 1000 mm, 2020 mm, 3000 mm.
| Profil montażowy | Profile LUMINES |
| Talia M4 | Talia |
Instrukcja montażu profilu TALIA z wykorzystaniem profilu montażowego TALIA M4 w suficie przy użyciu profilu pomocniczego ROSET, łącznika międzyprofilowego TALIA oraz wkrętów montażowych
Efekt zastosowania łącznika międzyprofilowego TALIA do zmiany kąta położenia profilu TALIA w zastosowaniu z profilem montażowym TALIA M4

Schemat złożenia elementów systemu oświetleniowego w suficie z wykorzystaniem profilu TALIA, (1) klosza DOUBLE, (2) taśm LED, (3) zaślepki TALIA z otworem, (3a), zaślepki TALIA bez otworu, (4) łącznika międzyprofilowego TALIA, (5) profilu pomocniczego ROSET, (6) profilu montażowego TALIA M4, (7) zaślepki TALIA M4 z wykończeniem prostym, (7a) zaślepki TALIA M4 z wykończeniem pełnym